设为首页
收藏本站
首页
Portal
工控论坛
BBS
工控文库
自动化技术
智能化技术
微信群/QQ群
产品服务
联系我们
登录
立即注册
工控行业信息
工控自动化技术
工控智能化技术
论坛建设
技术文章
行业资讯
PLC论坛
变频器论坛
SCADA论坛
电工电气论坛
仪器仪表论坛
工控自动化资料下载
AI启蒙论坛
AI工具论坛
智能控制算法与模型论坛
AI数字化与数字孪生论坛
智能能效论坛
智能运维论坛
工控学习网
»
工控论坛
›
工控自动化技术
›
PLC论坛
›
实用技巧:变频器充电电阻和储能电容选型要点与避坑指南 ...
返回列表
发布新帖
查看:
18
|
回复:
0
实用技巧:变频器充电电阻和储能电容选型要点与避坑指南
[复制链接]
gkxxw123
gkxxw123
当前离线
积分
663
211
主题
0
回帖
663
积分
版主
积分
663
发消息
发表于 2026-4-7 19:33
|
查看全部
|
阅读模式
知识是电工领域的常见课题,本文结合真实案例,手把手带你搞懂其中的关键要点。
电工
的都知道,中小功率通用
变频器
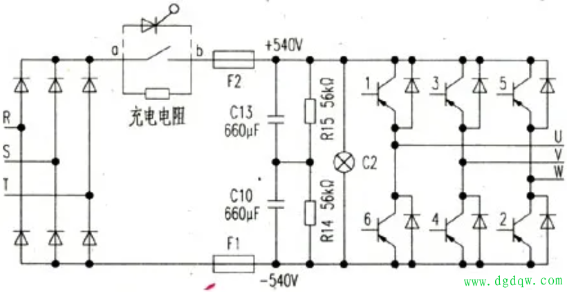
大多是电压型,采用交—直—交的工作方式。这变频器刚上电的时候,直流侧的滤波
电容
容量超大,刚充电瞬间对电流来说就像短路,电流会非常大。要是在整流桥和电解电容之间不加充电电阻,那就相当于380V
电源
直接
接地
短路,整流桥瞬间就会通过极大电流,直接炸掉。
加上充电电阻限流后,如果不并联
继电器
或其他元件,充电电阻消耗的功率也相当可观。就拿22kW的变频器来说,PN端(直流母线)上至少有45A的电流。要是“接控制电路”这部分出问题,像继电器或者晶闸管质量不佳,变频器运行一会儿,充电电阻就会因为发热过大而损坏。所以,充电电阻串在充电回路里,主要作用是在通电瞬间限流充电,保护整流器等输入回路器件,有的书本上也称它为缓冲电阻或启动电阻,西门子6SE701G变频启动电路就是典型例子。
充电完成后,控制电路会通过继电器的触点或晶闸管把电阻短路,完成变频器的上电过程。要是变频器的交流输入电源频繁通断,或者旁路
接触器
的触点接触不良、晶闸管的导通阻值变大,反复充电或者充电时间过长,都会导致充电电阻烧坏。所以,在替换充电电阻前,必须找出原因,才能让变频器重新投入使用。
不过,有些变频器启动期间,CPU会进行电压检测和降频操作。要是接触器线圈引线端子松动,造成接触不良,接触器没吸合,启动时的大电流会在充电电阻上形成较大压降,主回路直流电压急剧跌落,被电压检测电路侦测到,CPU就会发出降频指令。空载或轻载时,检测电路会及时上报欠压故障,CPU马上停机保护,电阻还没来得及烧坏,变频器就已经停机了。
那怎么选充电电阻的阻值呢?380V交流电整流后,经充电电阻给电解电容充电,充到一定值(比如DC200V)时,辅助电源启动给控制板供电,控制板工作,让继电器或晶闸管接通,充电电阻就不再工作了。开机瞬间,充电电阻越小,流过整流桥的电流就越大。经常有初学变频器维修的人问,换了充电电阻,变频器一开机整流桥就炸,是不是充电电阻选小了?其实不是。开机瞬间,整流桥炸掉一般不是因为充电电阻R选小了,而是选大了。因为变频器开机后,电流经充电电阻充电,充的电足够辅助电源启动(比如200V),CPU工作,发出信号让继电器或晶闸管导通。继电器导通瞬间,要是b点电压很低(比200V大),a点电压是AC380V直接整流过来的,大概在DC540V左右,a、b两端压差很大,触发导通瞬间电流极大,整流桥流过的电流远超额定电流,就会炸掉。
变频器功率越大,充电电阻越小。因为功率越大,需要的电解电容容量越大,电容容量越大,充电时间就越长。RC决定充电时间,想让充电时间尽量短,就得把充电电阻R取小。一般充电电阻最大值最好别超过300Ω,最小值最好大于等于10Ω,大功率变频器选小电阻,小功率变频器选大电阻。
再说说储能电容容量的选择,一般经验值是≥60μF/A。比如15kW的变频器,额定电流30A,需要的电容容量至少是60μF/A×30A = 1800μF,一般选4个2200μF(二并二串)或者2个4700μF的电容(二串联)。选电容还得考虑品牌,不同品牌质量差异大。
有的人修变频器,只换损坏的逆变模块,用不了多久模块又坏了,就抱怨模块质量不好、用户使用环境差。其实,最重要的原因是没找出逆变模块损坏的原因,没彻底清除故障隐患。逆变模块损坏,除了负载长时间过载、散热不好和雷电冲击,内部原因是
电容器
容量减小、失容和失效,这可是致命杀手。容量减小,轻则带负载能力差,负载加重时易引起直流回路欠压跳闸故障,电容进一步损坏,就会对逆变模块造成致命打击,电压检测电路来不及反应,逆变模块就损坏了。
电容不良或失效(容量变小)后,带小功率负载运行时看不出异常,但接入较大功率负载就不一样了。此时变频器直流回路完全或部分丧失储能滤波能力,直流回路是300Hz的脉动直流,电机启动时的电流吸入,加大了脉动电流的脉动成分。而且,要是电机绕组的反电势或变频器的某一输出载波,恰好落在脉动直流的变化范围内,二者叠加,整个系统内脉动电流急剧变化,落到某一频率点上,电路中的分布电感和分布电容参与进来,动态能量急剧上升,瞬间危险的谐振过电压就会出现,逆变模块中的IGBT管和电路中的尖峰电压吸收
二极管
,在高于耐压值数倍的高电压冲击下,很容易过电压炸裂和击穿短路。虽然变频器有完善的电压或电流保护检测电路,但面对此类瞬间电压畸变,也常常无能为力。
储能电容不良故障比较隐蔽,是软故障,容易被忽视。有的电容测容量似乎没问题,也能运行,但却是隐患。特别是大功率变频器中的电容,在恶劣环境下运行多年,引出电极常年经受数百赫兹的大电流充、放电冲击,会出现不同程度的腐蚀氧化现象,用电容表测量容量无异常,但接在电路中,因充、放电内阻增大,直流回路电压跌落,变频器不能正常工作,检修人员容易误判。再次强调,储能电容失容后极易出现谐振过电压导致模块炸裂。
特别提醒,检修三年以上或运行年限更长的变频器,不能忽略对储能电容的检查;对逆变模块损坏原因不明时,应彻底检查、更换直流回路中的储能电容!
工控学习网 www.gkxxw.com
回复
使用道具
举报
返回列表
发布新帖
高级模式
B
Color
Image
Link
Quote
Code
Smilies
您需要登录后才可以回帖
登录
|
立即注册
本版积分规则
发表回复
回帖并转播
回帖后跳转到最后一页
浏览过的版块
公告区
关于我们
关于我们
加入我们
新闻动态
联系我们
服务支持
官方商城
成功案例
常见问题
售后服务
投诉/建议联系
gkket@qq.com
未经授权禁止转载,复制和建立镜像,
如有违反,追究法律责任
添加微信客服
关注公众号
工控学习网
© 2001-2026
Discuz! Team
. Powered by
Discuz!
W1.5
关灯
在本版发帖
攻城大狮哥
攻城大狮哥
返回顶部
快速回复
返回顶部
返回列表